Danh mục sản phẩm
Phụ kiện thang máy
Ý kiến chuyên gia
Cập nhật: 10-11-2023 02:58:25 | Ý kiến chuyên gia | Lượt xem: 2346
Với diện tích công trình hạn hẹp, khi có nhu cầu lắp đặt thang máy các chủ đầu tư thường quan tâm không biết diện tích tối thiểu để lắp thang máy đúng chuẩn là bao nhiêu. Nếu quý khách cũng đang có chung thắc mắc này, đừng bỏ qua những thông tin hữu ích ở bài viết này.
Nói đến diện tích thang máy, nhiều người thường lầm tưởng đó là diện tích phần cabin của thang máy. Tuy nhiên sự thực thì diện tích thang máy không phải là phần cabin mà nó sẽ lớn hơn cabin. Diện tích của thang máy là lớn nhất bao gồm cả phần cabin, rail dẫn hướng, đối trọng và tất cả các bộ phận bên trong. Chính vì vậy nên xác định rõ khái niệm này để tránh những sai lầm không đáng có.
Thang máy được sử dụng trong gia đình, thường có tải trọng nhỏ hơn so với loại thang máy chung cư, bệnh viện, khách sạn, siêu thị do nó chuyên chở với số lượng người ít hơn. Tùy thuộc vào từng loại thang máy mà các chủ đầu tư có thể xác định được chính xác về diện tích tối thiểu để lắp thang máy.

Tải trọng thang máy gia đình thường giao động từ 200kg cho đến 500kg. Mức tải trọng thang máy gia đình tối thiểu là 200kg, thường được lắp đặt trong những ngôi nhà cải tạo, nhà phố với diện tích không gian bị hạn chế.
Kích thước thang máy gia đình 200kg
Đây là thang máy mini, loại thang máy có kích thước nhỏ nhất. Thang máy gia đình kích cỡ mini thường được sử dụng cho các công trình có diện tích nhỏ, có thể được lắp đặt ở nhiều vị trí trong nhà. Loại thang này có thể chứa được từ 1 tới 3 người.

Kích thước thang máy gia đình 200kg
Kích thước thang máy gia đình 250kg
Đây là mức tải trọng thang máy thích hợp để lắp đặt cho những ngôi nhà có diện tích từ 40m2 - 50m2. Tùy khổ đất mà gia chủ có thể lựa chọn loại đối trọng bố trí sau (đối diện cửa) hoặc đối trọng đặt bên hông cabin.
Phương án đối trọng sau:

Kích thước thang máy gia đình 250kg đối trọng sau
Phương án đối trọng hông:

Kích thước thang máy gia đình 250kg đối trọng hông
Ưu điểm của đối trọng hông là làm được cửa rộng hơn so với đặt đối trọng sau.
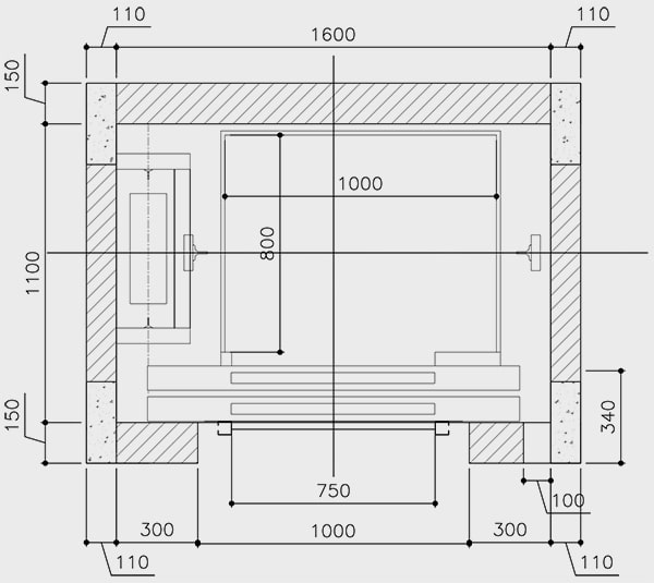
Kích thước thang máy gia đình 300kg
Thang máy tải trọng 300kg là một trong những mức phổ biến ở cả dòng thang nhập khẩu lẫn liên doanh cabin sản xuất trong nước. Đây là loại thang phù hợp để lắp đặt cho những ngôi nhà có diện tích khoảng 50m2 - 60m2, quy mô cho hộ gia đình từ 4-5 thành viên. Dưới đây là số đo thang 300kg với 2 phương án bố trí đối trọng:
Phương án đối trọng sau:

Kích thước thang máy gia đình 300kg đối trọng sau
Phương án đối trọng hông:

Kích thước thang máy gia đình 300kg đối trọng hông
Với thiết kế thang 300kg, gia đình có thể xây tường bao quanh dày 220, cột bốn góc 220mmx220mm bởi ưu điểm dễ thi công. Để tiết kiệm diện tích, gia đình có thể chọn phương án thang máy 250kg với tường dày 110mm.
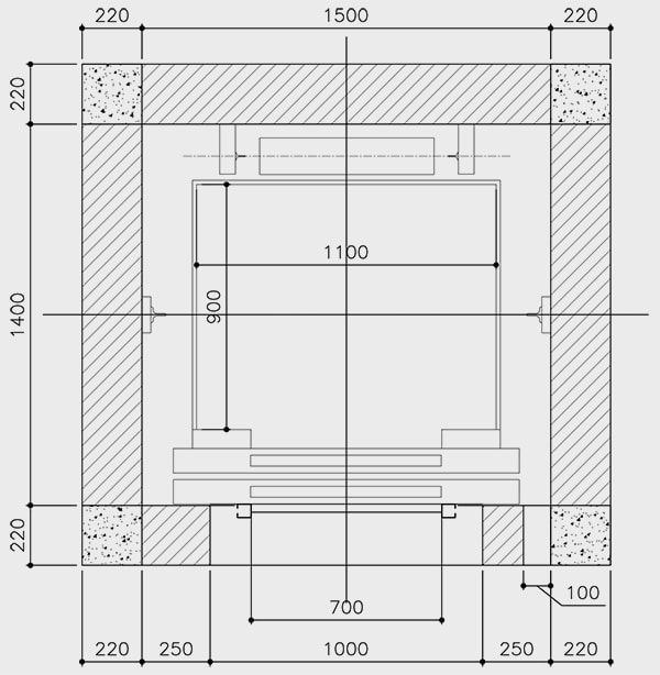
Kích thước thang máy gia đình 350kg
Đây là loại thang gia đình phổ biến nhất, có thể dùng cho nhà ở gia đình, chung cư mini hoặc những tòa nhà cho thuê diện tích nhỏ. Kích thước tiêu chuẩn của thang máy gia đình 350kg là:

Kích thước thang máy gia đình 350kg
Do hố thang 350kg hình vuông nên việc chế tạo và lắp đặt đối trọng sau là phương án hợp lý nhất. Nếu cần cabin sâu, kiến trúc sư có thể đặt đối trọng hông, khi đó số đo của cabin sẽ là 900mm x 1200mm nhưng tim cửa thang lệch so với tim cabin.
Kích thước tiêu chuẩn này có thể lắp đặt với hầu hết các loại thang.
Với các công trình diện tích nhỏ hẹp, kiến trúc sư cần tối ưu kích thước của hố thang hoặc với thang máy kính nên dựng hố thang bằng khung thép. Việc sử dụng khung thép có thể tiết kiệm 15cm - 17cm mỗi chiều hố thang so với phương án xây tường 110mm.

Bản vẽ mặt cắt kích thước thang máy gia đình 350kg
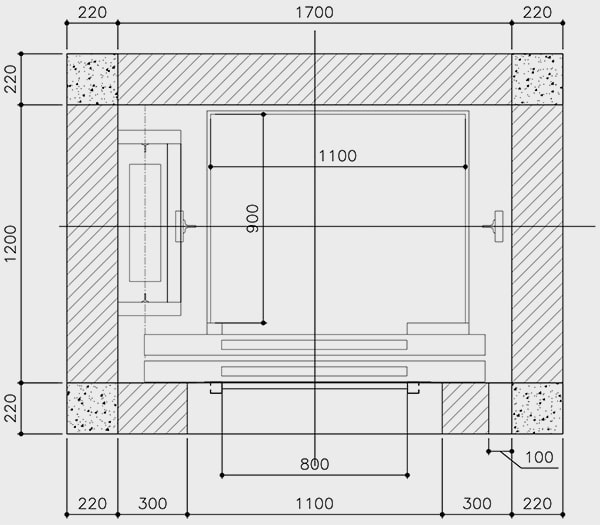
Kích thước thang máy gia đình 450kg
Thang tải trọng 450kg có thể chứa được 6-7 người, thường được dùng làm thang tải khách cho các tòa nhà văn phòng, chung cư mini, khách sạn mini. Loại thang này cũng có thể được lắp cho gia đình trong các trường hợp sau:
Thang máy 450kg sẽ có 3 phương án thiết kế như sau:
Phương án 1: Đối trọng sau – hố rộng:

Kích thước thang máy gia đình 450kg đối trọng sau - hố rộng
Phương án 2: Đối trọng sau – hố hẹp:
Phương án này dùng cho các công trình có chiều rộng hố thang hạn hẹp, chiều sâu lại thoải mái hơn.

Kích thước thang máy gia đình 450kg đối trọng sau - hố hẹp
Phương án 3: Đối trọng hông:

Kích thước thang máy gia đình 450kg đối trọng hông
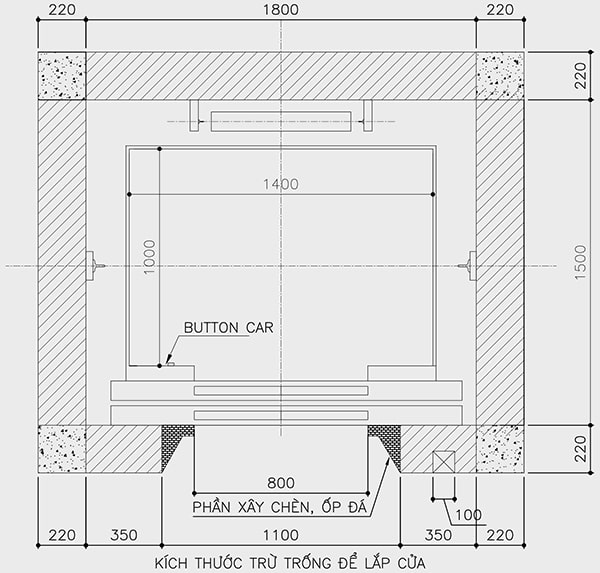
Kích thước thang máy gia đình 500kg

Hố Pit thang máy gia đình
Diện tích của thang máy còn được tính theo từng hãng sản xuất, yêu cầu của khách hàng phù hợp với công trình của họ. Diện tích phụ thuộc vào số lượng người sử dụng, tải trọng thang máy, diện tích của công trình. Do đó không nên dùng diện tích tối thiểu để lắp thang máy của công trình khác áp dụng vào công trình của mình.
Nhiều khách hàng đã không nắm rõ nguyên tắc này dẫn đến nhiều sai sót trầm trọng, thiết kế thang máy không hài hòa với không gian, không đảm bảo an toàn cho người sử dụng.
Vì vậy cách tốt nhất hay lắng nghe ý kiến của các chuyên gia tư vấn. Với dày dặn kinh nghiệm, đã thực hiện lắp đặt cho nhiều công trình khác nhau họ sẽ giúp quý khách xác định kích thước tối thiểu phù hợp. Điều này cũng giảm thiểu chi phí sửa chữa, phí bảo trì trong thời gian dài.
>>> Có thể bạn quan tâm: Lắp Thang Máy Cho Nhà Phố 3 Tầng
Thang Máy Tân Phát là một trong những công ty chuyên kinh doanh, lắp đặt thang máy hàng đầu tại Quảng Ninh. Tân Phát cam kết đem lại cho khách hàng những sản phẩm thang máy chất lượng nhất với nhiều ưu đãi và chính sách mua hàng hấp dẫn. Liên hệ ngay để nhận được những lời tư vấn giá trị đến từ kỹ sư nhiều kinh nghiệm:
-----------------------------------
